中文
中文
¦
English
首页
Home
关于海巍
Nav
产品中心
Nav
新闻资讯
Nav
联系我们
Nav
新闻中心
行业资讯
产品详情
分享到:
HVC805
● 高稳定性
● 可长时间不间断运行
● 可全方位安装
● 标准的数字接口,应用简单
产品详情
应用场景
主要用于食品检测、鞋服检测、荧光分析应用等
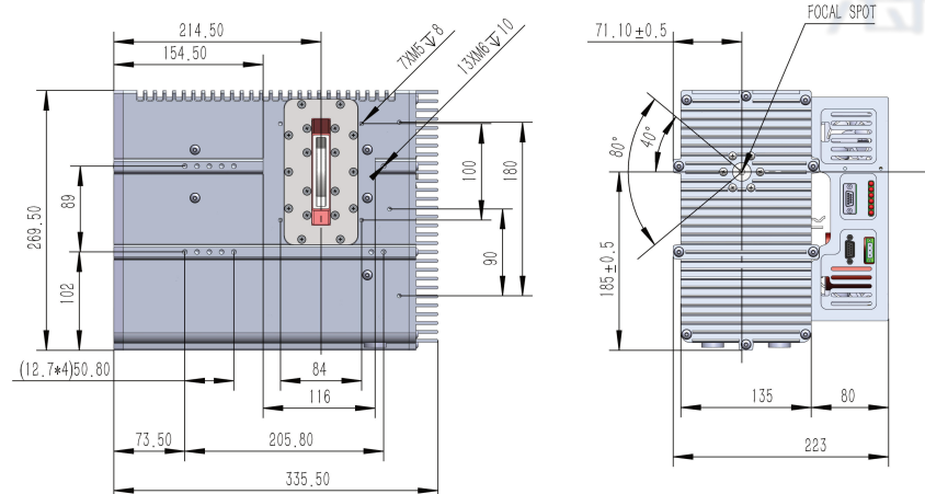
尺寸图
技术参数
相关产品推荐
双能骨密度仪X射线源-HVD702
双能骨密度仪X射线源-HVD801
双能骨密度仪X射线源-HVP1003
便携式牙科X射线机(相机式)
便携式牙科X射线机(枪式)
便携式X射线机 HVP905
便携式X射线机 HVP9010
口腔CBCT用X射线源-HVP10012
口腔CBCT用X射线源-HVP1208